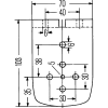
Anbausockel
Halter aus Gummi zur Montage von Positionslampen oder Rückstrahlern.
Grösse: 70x103x30mm
Befestigungsart Halter: Ø6x40mm
Befestigungsart Leuchte: Ø6x38mm oder M6x30mm
Artikel
Informationen
Artikel-Nr:
8HG 003 799-001
Verpackungseinheit:
1 Stück
Verkaufseinheit:
Stück
Verfügbarkeit:


